具仪表级准确度的系统监视器用于测量相对湿度
详情介绍
电路功能与优势
无屏蔽双绞线(UTP)——如Category-5e (Cat-5e)——最初设计为传输局域网(LAN)流量,现已成为其他许多信号传输应用的经济型解决方案,因为它具有可观的性能和低成本优势。这些应用均为传输宽带视频信号的系统,它们采用4对双绞线中的3对传输红、绿、蓝(RGB)电脑视频信号或亮度和两个色差(YPbPr)、高清分量视频信号。视频信号消隐间隔中可嵌入所需的水平和垂直同步脉冲,这些脉冲亦可在3对双绞线中作为共模差分信号传输。这些系统经常包含视频交叉点开关,并用于将小部分视频信号源分发至许多显示器(如数字标牌),或将大部分视频信号源分发至几个显示器,如键盘-视频-鼠标(KVM)网络。
通过UTP电缆传输的信号主要受三个损害的影响,这些损害会导致视频质量下降
- 集肤效应造成非线性限带,导致信号消散和高频信号内容丢失。该损害导致图像锐度下降并出现暗条纹。
- 阻性损耗带来低频平坦损耗,造成图像对比度下降。
- 用于尽量减少线对间串扰的对绞率(走线长度)不同,导致4对双绞线之间存在延迟偏斜。由于收到的3路信号在时间上存在对齐误差,延迟偏斜导致收到的图像出现色彩误差。
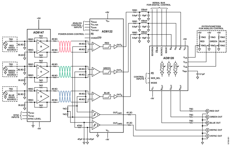
图1所示的方案通过采用 AD8122 三路接收器/均衡器以克服这些损害,恢复视频的高频内容,同时提供平坦的增益。 AD8120 三路偏斜补偿模拟延迟线,在两路最先到达的信号 中加入延迟,使得三路接收信号在时间上正确排列。 AD8147 三路驱动器提供视频源信号所需的单端至差分转换。

图1. 均衡与延迟补偿UTP驱动器和接收器(原理示意图:未显示所有引脚、连接和去耦)
电路描述
图1所示的视频传输系统采用RGBHV视频信号,其中RGB表示红、绿、蓝视频信号,HV表示独立水平和垂直同步脉冲信号。因此,总共5路信号通过3对双绞线电缆传输。
视频系统性能以时域描述最为合适,并且最重要的规格是阶跃响应建立时间。视频显示中两个像素之间的转换通常是阶跃函数,且每个像素持续一段特定的时间。理想情况下,视频的阶跃响应应该在像素时间的一小部分(对于60 Hz时的UXGA,约为6 ns)内完成建立,并且相对于最终值的误差应小至忽略不计(低于满量程约46 dB,或3.5 mV)。虽然某些频域性能指标很重要,但最重要的是这些指标在时域内对视频信号有何影响。例如,系统带宽必须足够高,以产生上升时间短到满足建立时间规格要求的阶跃响应。然而,单有带宽还不够,因为振铃、过冲和响应迟缓,甚至宽系统带宽具有的短上升时间,都可产生极大的建立误差。系统简化框图见图2。
驱动器
RGB信号通常源自75 Ω单端、源接端电压源,且需要75 Ω负载端接。在负载上,正确端接的信号幅度通常在0 mV和700 mV间变化。为了通过UTP传输RGB信号,信号会从单端模式转换为平衡(差分)模式,然后放大2倍以考虑因UTP源和负载端接造成的6 dB损耗。这可通过使用三通道差分驱动器轻松实现,如AD8147。
AD8147 根据以下公式提供额外的特性,以编码TTL逻辑电平、三路输出共模电压(VOCM)上的水平和垂直同步脉冲信号:
Green Vocm = K/2(-2VSYNC) + VMIDSUPPLY
Blue Vocm = K/2(VSYNC + HSYNC)+ VMIDSUPPLY
其中:
K表示中间电源电压(VMIDSUPPLY)与共模脉冲电压的峰值偏差。VSYNC和HSYNC是单位加权项,对于逻辑1为+1,对于逻辑0为−1。这种编码方案产生数值为零的净交流共模电压,从而最大程度地减少来自电缆的共模电磁辐射。
驱动器评估板包含实施单端至差分模式转换和同步脉冲编码所需的全部信息,包括K的调节。
接收机
UTP电缆的集肤效应产生随频率增加的传输损耗,导致收到的信号呈现圆形且分散,并且简单电缆电阻导致电缆的平坦阻性损耗。图3通过对比300米长的UTP全摆幅视频阶跃响应与输入电缆的阶跃信号,展示了这些效应。

图 3. 300米Cat-5e非均衡电缆的阶跃响应
AD8122 三通道均衡器执行差分至单端模式转换,针对这些信号损害提供高共模抑制和补偿。图4显示了均衡器输出端校正后的阶跃信号,建立至1%误差所需时间少于70 ns。注意,图4中的时间刻度以纳秒为单位。

对于频域而言,图5显示了长度为100英尺至1000英尺的Cat-5e电缆的频率响应,长度以100英尺递增,限带效应和平坦损耗极为明显。

有关AD8122 如何有效恢复接收信号的高频内容以及平坦损耗可通过对比图6中AD8122输出的均衡频率响应和图5中的非均衡频率响应而看出。对于1000英尺(300米)长的电缆,60 MHz时超过50 dB的非均衡损耗经AD8122均衡器优化后为3 dB。

针对最后一个损害, AD8120三路延迟线纠正了3对双绞线之间的时间偏斜并提供2的增益以驱动通过双端接75 Ω电缆传输至显示器的视频信号。
接收器评估板包括AD8122和AD8120以及所需的全部支持电路,包括5个电位计以手动调节高频增强、平坦增益和3路延迟线。此外,还提供针对AD8120的可选串行控制的串行接口。
结论
视频分配系统中远端的图像质量很重要。图像质量由阶跃响应建立至与最终值相差3.5 mV所需的时间决定,当该值超过像素时间的某一小部分时,图像质量便开始受影响。图7显示了未采用均衡或偏斜校正时,通过300米(1000英尺)Cat-5e电缆接收图像的极端例子。图7中的黑色拖尾极为严重,阶跃响应迟缓,而且时间偏斜导致色彩失调。完全校正后的图像见图8。

图7. 未对通过300米Cat-5e电缆传输的图像应用均衡和偏斜校正时

发射器和接收器评估板的实物照片分别显示在图9与图10中。若需获得EVAL-CN0275-RX-EBZ 发射器评估板和EVAL-CN0275-TX-EBZ接收器评估板完整的设计支持包,包括原理图、布局文件和材料清单,请访问 www.analog.com/CN0275-DesignSupport。


常见变化
成本更低的 AD8124 三通道均衡器在仅需驱动最高200米的UTP系统中可替换AD8122。AD8124与AD8122引脚不兼容,且控制功能也有所不同。
驱动器除了AD8147,还有很多选择。 AD8146 提供和AD8147相同的功能,但不集成专门的共模同步电路。 AD8146通常用在那些将垂直和水平同步脉冲放置在视频信号消隐间隔中的系统,而非将脉冲置于共模电压上的系统。 AD8148 与AD8147规格相同,只不过它的固定增益为4而非2,并且可配置用于预加重,以驱动最高为100英尺的UTP。对于要求功耗更低的系统, AD8133 和 AD8134可提供与AD8146和AD8147对应相同的功能,并且功耗更低,但它们的带宽较低。最后,对于可使用5 V电源、成本最低的系统,AD8141和AD8142CMOS驱动器也许是最佳的选择。
UTP的安装各不相同,可能覆盖较广的区域、通过多个配线架,并且时而没有接地参考。这些情况可能导致与本地接收器接地参考有关的接收共模电压的剧烈波动。在均衡器前端放置一个具有宽共模范围的平坦增益差分接收器,如 AD8143,则可在这些情况下提供最高21 V的输入共模范围。
AD8122和AD8124 均同时支持同轴电缆与UTP电缆。AD8122可使用引脚绑定为任一模式,且AD8124利用VPOLE控制以修改它的频率响应,支持任一电缆类型。
电路评估与测试
ADI公司提供完整的系统级即插即用驱动器和接收器评估板,包含所需的全部视频图像阵列(VGA)电路和RJ-45连接器。提供带有旋钮的电位计以控制均衡和偏斜校正。一个简单的视频源即可提供最好的测试配置,例如一台电脑和一台高质量显示器。若电脑和显示器支持最高UXGA/60 Hz 的分辨率则更佳。
需要以下设备:
- 一个UXGA视频源(笔记本电脑)
- EVAL-CN0275-TX-EBZ发射器评估板
- EVAL-CN0275-RX-EBZ接收器评估板
- ±5 V电源(两个:一个用于发射器评估板,另一个用于接收器评估板)
- Cat-5e电缆,100英尺至1000英尺,增量为100英尺(Stellar Labs U5E-24-CMR-665,MCM Electronics #24-10510)
- 一台UXGA视频显示器
测试
测试设置的简化框图见图11。连接设备后,即可使用标准视频进行端到端的测试。
