LTM4639 在 1.8V/20A μModule 设计具输入电流和温度监测
详情介绍
概览
电路功能与优势
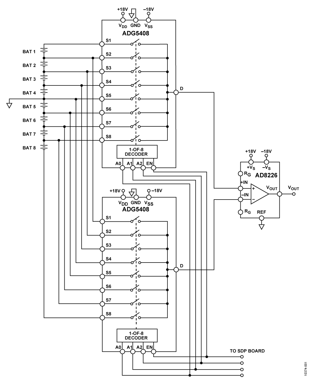
图1所示电路为鲁棒的电池监控前端,专为可能发生瞬变的环境而设计,例如工业或过程自动化环境。该电路使用 ADG5408 4通道CMOS多路复用器,后接AD8226 仪表放大器,以低功耗和低成本精确监控各电池的电压,且无需额外的外部瞬变保护电路。
瞬变过压条件可造成传统CMOS开关发生闩锁。通过结隔离技术,PMOS和NMOS晶体管的N和P井形成寄生硅控整流器(SCR)电路。过压条件触发此SCR,导致电流被显著放大,进而引起闩锁。闩锁是一种在关闭电源之前会持续存在的不良高电流状态,它可能导致器件故障。
如果输入或输出引脚电压之一超过供电轨一个二极管压降以上,或者电源时序控制不当,则可发生闩锁。如果通道上出现故障,且信号超过最大额定值,则故障可触发典型CMOS器件的闩锁状态。
电路上电期间,也可能在CMOS开关上电前产生输入端电压,特别是使用多个电源为电路供电时。此条件可能超过器件的最大额定值,并触发闩锁状态。
本设计中使用的两个多路复用器和仪表放大器(IA)具有鲁棒的输入。ADG5408是防闩锁型高压8:1多路复用器。用于制造ADG5408的沟道隔离技术可防止闩锁状态,并减少外部保护短路。防闩锁不保证过压保护,仅表示开关会进入高电流SCR模式。ADG5408还具有8 kV人体模型静电放电(ESD)额定值(ANSI/ESDA/JEDEC JS-001-2010)。
AD8226是一款低成本、低功耗仪表放大器,具有鲁棒的输入,可处理相反供电轨最高达40 V的输入电压,同时将输出限制在供电轨内。例如,采用±18 V电源时,AD8226正或负输入的无损害摆幅为±22 V。AD8226的所有输入均通过内部二极管提供ESD保护。
电路描述
电池监控系统(BMS)需要在电池组内的每个电池两端施加个别电压,以评估电池的充电状态(SOC)和运行状态(SOH)。通过两个多路复用器实现电池组引脚的多路复用,如图1所示,可评估每个电池两端的电压。
一个多路复用器用于正引脚,另一个用于负引脚。此差分多路复用允许将单个仪表放大器用于最多八个通道。这样放大器不需要每个电池的共模电压供BMS使用。
ADG5408的每个通道具有低导通电阻,通常为13.5 Ω,整个温度范围内的最大值为22 Ω。输入失调电流最大值为2 nA时,通道电阻上的最大误差电压为44 nV。

图1. 鲁棒的电池监控电路原理示意图(未显示所有连接和去耦)
图2显示典型CMOS开关(使用外延层)与ADG5408在接受闩锁测试时的结果对比。测试期间,将应力电流施加于引脚1 ms,此操作称为触发,触发后测量引脚上的电流。此特定测试在开关断开、漏极(D)设为VDD且源极(S)设为VSS时执行,如图3所示。接着源极电压被驱动至超过VSS,直至达到所需的触发电流。如果未发生闩锁,则引脚电流返回预触发值。发生闩锁后,引脚继续吸取电流,而不用触发电压驱动。只能通过关断器件来停止。
从图2可看出,此典型CMOS开关在−290 mA达到闩锁电流,而ADG5408不会发生闩锁,除非测试结束于−510 mA。

图2. 闩锁后触发电流对比

图3. 闩锁测试配置(预触发)
常见变化
电路评估与测试
该电路使用 EVAL-CN0253-SDPZ 评估板,可单独用作评估板,或与EVAL-SDP-CS1Z系统演示平台(SDP)评估板配合使用。在独立模式下,A0、A1、A2和EN逻辑电平可由电路板上的链路或通过SMB连接器连接到电路板的外部来源控制。
如果需要电脑控制,可使用120引脚对接连接器将EVAL-SDP-CS1Z连接到EVAL-CN0253-SDPZ评估板。
设备要求
- EVAL-CN0253-SDPZ评估板
- ±18 V电源
- 锂离子电池
- 用于测量输出的数字电压表
如果需要使用PC控制EVAL-CN0253-SDPZ板,额外要求包括:
- 带USB端口的Windows® XP、Windows Vista®(32/64位)或Windows 7(32/64位)PC
- EVAL-SDP-CS1Z SDP
- CN-0253评估软件
开始使用
仅在独立使用时需要EVAL-CN0253-SDPZ、电源和测试电池。
要使用PC对电路板进行编程,应安装评估软件。为此,须将CN-0253评估软件光盘放进PC的光盘驱动器,加载评估软件。打开“My Computer(我的电脑)”,找到包含评估软件光盘的驱动器,打开Readme文件,按照说明安装和使用评估软件。
测试设置的功能框图
图4显示测试设置功能框图。EVAL-CN0253-SDPZ-SCH-Rev0.pdf 文件包含电路板的完整电路原理图。此文件位于CN-0253设计支持包中:(http://www.analog.com/CN0253-DesignSupport)。

图4. 测试设置功能框图
设置
电源输出关闭时,将+18 V电源连接到J3-1引脚(VDD_EXT),将−18 V电源连接到J3-3引脚(VSS_EXT),并将J3-2引脚(GND_EXT)接地。将测试电池接到电池连接。确保链路接头保留在未连接电池的电池连接上;也就是说,如果仅使用四个电池,剩余的四个电池连接应保持连接。
如果电路板需要电脑控制,必须移除以下链路接头:EN、A0、A1和A2。如果使用EVAL-SDP-CS1Z,请使用120引脚连接器将EVAL-SDP-CS1Z连接到EVAL-CN0253-SDPZ。使用尼龙五金配件固定连接。
测试
为±18 V电源供电。使用电路板上的EN链路使能ADG5408多路复用器的输出。使用电路板上的A0、A1和A2链路选择测试电池。SMB连接器VOUT可用于连接独立的ADC评估板,例如EVAL-AD7298SDZ ,或者使用数字电压表手动测试。
如果需要电脑控制,请使用USB电缆将EVAL-SDP-CS1Z连接到PC。启动CN-0253评估软件。电池电压可依据手动测试方法测试。如果使用EVAL-SDP-CS1Z,可提供额外的5 V电源引脚。
讨论
- 加入我的myAnalog 登录 myAnalog
