LTC3892 具有 8V 栅极驱动的高效率两相 5V/8.5V 降压型转换器
详情介绍
概览
电路功能与优势
本电路中的隔离能提供电气线路浪涌保护并断开总线和数 字引脚之间的接地连接,增加系统安全性和鲁棒性,进而 消除系统中可能存在的接地环路。
在工业和仪器仪表应用中,TIA/EIA RS-485总线标准是使用 最广泛的物理层总线设计标准之一。RS-485提供多个系统 之间的差分数据传输,这些系统通常相距很远。相比 RS-232标准,RS-485通信可通过差分通信方式提供额外的 鲁棒性。
TIA/EIA RS-232器件广泛用于工业机器、网络设备和科研仪 器中。在现代个人电脑中(个人电脑经常用来调试网络问 题),大部分外设接口已经采用USB代替RS-232,并且很多 电脑不再配备RS-232端口。图1中的电路为RS-232和RS-485 接口提供鲁棒而紧凑的解决方案。
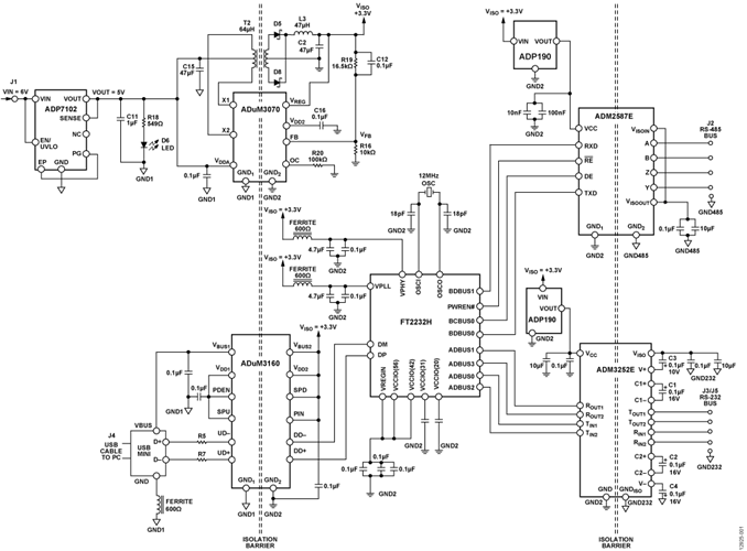
图1. 隔离式USB转FTDI隔离式RS-232/隔离式RS-485电路(原理示意图,未显示所有连接)
电路描述
在这些实际的系统中,雷击和电源波动会通过产生较大瞬 变电压对通信端口造成损害。图1电路的隔离可针对这些 电气线路浪涌提供保护,增加系统安全性。

图2.EVAL-CN0373-EB1Z板
图2显示隔离式USB转FTDI隔离式RS-232/隔离式RS-485电 路的照片。如有需要,该电路可实现USB端口至RS-485和 RS-232端口的同步发送,也可仅发送一个端口。
ADuM3160提供USB总线D+和D−输入端数据信号到FTDI FT2232H(USB至UART转换器)的2.5 kV rms数字隔离。隔离 式USB输出DD−和DD+信号分别连接FTDI的DM和DP引 脚。FTDI FT2232H可通过UART转RS-232/RS-485接口发送 数据,具体取决于所选PC虚拟COM端口(VCP)。ADuM3160 通过USB电缆连接提供VBUS1电源。ADuM3070提供稳压隔 离电源。ADuM3070的电源(+6 V)和接地通过J1管式插口连 接器相连。ADuM3160 VBUS2引脚采用ADuM3070的3.3 V隔 离电源供电。ADuM3070 3.3V输出还为ADM3252E 2.5 kV rms 隔离式RS-232和ADM2587E 2.5 kV rms隔离式RS-485收发机 提供主电源。
ADM2587E 2.5 kV rms隔离式RS-485收发机是业界领先的信 号和电源隔离解决方案。该收发机可在3.3 V或5 V下工作。 数据通过TxD引脚发送,通过RxD引脚接收。驱动器和接 收器的输出都可使能或禁用,即通过改变DE和 RE 引脚上的相应逻辑电平,进入高阻抗状态。
FTDI输出引脚BDBUS0连接ADM2587E的TxD数据输入引 脚。FTDI输出引脚BCBUS0、PWREN#和BDBUS1分别连接 ADM2587E的DE、 RE和RxD输入引脚。DE和RE 引脚状态 还可通过LK1和LK2跳线配置。对每条链路而言,位置A连 接逻辑引脚至3.3 V,位置B连接逻辑引脚至GND,位置C连 接逻辑引脚至FTDI输出引脚。
ADM2587E可通过A、B、Y和Z RS-485输入/输出发送和接 收总线数据。RS-485总线电缆可通过J2五路连接器连接。 断开LK5和LK6跳线连接可将ADM2587E置于全双工配置下,在该配置下数据可通过Y和Z引脚发送,并通过A和B 引脚接收。连接LK5和LK6跳线可将ADM2587E输入/输出 置于半双工配置下,在该配置下仅能发送或接收总线数 据,不能同时收发。
ADM3252E是一款高速、2.5 kV、完全隔离、双通道RS-232/ V.28收发机,采用3.3 V或5 V单电源供电。RS-232接口支持 全双工通信,通过J5五路连接器或J3连接器为CTS和RTS提供 硬件握手。J3提供RS-232电缆连接器,用来连接工业设备。
ADM3252E发射机输入(TINx)支持从FTDI的ADBUS0和 ADBUS2引脚输出的FTDITTL/CMOS输入电平。TInx输入反 转并跨越隔离栅耦合,然后作为EIA/TIA-232E总线信号通 过J3或J5连接器发送。ADM3252E接收机输入(RINx)支持来 自J3或J5连接器的EIA/TIA-232E信号电平。RInx输入反转并 跨越隔离栅耦合至ROUTx引脚。ROUTx引脚连接FTDI的 ADBUS1和ADBUS3输入。
使用两个独立的ADP190电路作为软启动电路,并在FTDI FT2232H完全上电后为ADM2587E和ADM3252E供电。跳线 LK7通过74AHC1G14W5-7逆变器将FTDI FT2232H PWREN# 引脚连接至ADP190电路的EN引脚。ADP190 EN引脚必须为 高电平才能开启电源开关;驱动EN至低电平可关闭电源开 关。连接位置A的LK7(位置B断开连接)表示ADP190 EN引脚 始终为高电平/使能。连接位置B的LK7(位置A断开连接)表 示ADP190 EN引脚通过PWREN#反转信号触发。
FTDI FT2232H数据手册提供RS-232通信的引脚功能完整列 表。LK3和LK4跳线支持RS-232握手选项。LK3连接时, ADBUS4 (DTR#)连接到ADBUS5 (DSR#)。LK4连接时, ADBUS4 (DTR#)连接到ADBUS6 (DCD#)。
电路评估与测试
在J1管式插口连接器上施加6 V电压,为EVAL- CN0373-EB1Z 板供电。可在ADP7102稳压器输出端的VCC_REG测试点上 检查该电压。ADP7102输出电压测量值应当为5 V。5 V电压 路由至ADuM3070和T2变压器,然后为RS-485、RS-232和 FTDI电路提供3.3 V电源输出。检查ISO_VCC测试点,该点 处的测量电压应当为3.3V。
通过将RS-232和RS-485输出连接至ADI ezLINX™ iCoupler®隔 离接口开发环境板,可测试完整的发送和接收路径。此 外,还可通过Tera Term开源终端仿真程序执行USB转RS-232/ RS-485发送测试。如有需要,该电路可实现USB端口至 RS-485和RS-232端口的同步发送,也可仅发送一个端口。
使用USB电缆连接笔记本电脑/PC与J4连接器。将示波器探 针与ADM3252E收发机旁边的ISOTxD测试点相接,如图3 所示。打开PC应用软件,选择COM5,然后单击OK(确定),如图4所示。
单击File(文件)菜单下的Send(发送)按钮,载入待发送的 RS-232数据。选择用于连续测试传输的大数据尺寸文件并 单击Send(发送),如图5所示。
图3. EVAL-CN0373-EB1Z板测试设置

图4. 用于向EVAL-CN0373-EB1Z板上的RS-232
端口进行USB传输的Tera Term COM5

图5. 用于向EVAL-CN0373-EB1Z板上的RS-232
端口进行USB传输的Tera Term COM5数据
用探针探测EVAL-CN0373-EB1Z板上的ISOTxD测试点,通过示波器观察隔离式RS-232信号(见图6)。
图6. EVAL-CN0373-EB1Z板上RS-232端口的ISOTxD信号
可针对ADM2587E收发机执行类似的测试。使用USB电缆 连接笔记本电脑/PC与J4连接器。将示波器探针与 ADM2587E收发机旁边的Y和Z测试点相接,如图3所示。 打开第二个Tera Term仿真器窗口,选择COM6用于RS-485 传输,如图7所示。
图7. 用于向EVAL-CN0373-EB1Z板上的RS-485
端口进行USB传输的Tera Term COM6
单击File(文件)菜单下的Send(发送)按钮,载入待发送的 RS-485数据。选择用于连续测试传输的大数据尺寸文件并 单击Send(发送),如图8所示。
图8. 用于向EVAL-CN0373-EB1Z板上的RS-485
端口进行USB传输的Tera Term COM6数据
用探针探测Y和Z测试点,通过示波器观察隔离式RS-485信号;或者使用示波器的Y – Z数学函数观察差分总线信号, 如图9所示。
图9. EVAL-CN0373-EB1Z板上RS-485
端口的Y – Z数学波形
完整的设计支持包包括示意图,装配,材料清单和布局文件请点击http://www.analog.com/CN0373-DesignSupport.
讨论
样片申请及购买
样片
| 产品 |
描述 |
可提供样片的 |
| ADM3252E | 隔离式双通道RS-232线路驱动器/接收机 | ADM3252EABCZ |
| ADM2587E | 2.5 kV信号和电源隔离、±15 kV ESD保护、全/半双工RS-485收发器(500kbps) | ADM2587EBRWZ |
| ADUM3160 | 全速/低速USB数字隔离器 | ADUM3160BRWZ ADUM3160WBRWZ |
| ADUM3070 | 集成反馈功能的隔离式开关调节器 | ADUM3070ARQZ |
| ADP190 | 逻辑控制的高端电源开关 | ADP190ACBZ-R7 |
| ADP7102 | 20 V、300 mA低噪声CMOS LDO | ADP7102ACPZ-1.5-R7 ADP7102ACPZ-1.8-R7 ADP7102ACPZ-2.5-R7 ADP7102ACPZ-3.0-R7 ADP7102ACPZ-3.3-R7 ADP7102ACPZ-5.0-R7 ADP7102ACPZ-9.0-R7 ADP7102ACPZ-R7 ADP7102ARDZ-1.5-R7 ADP7102ARDZ-1.8-R7 ADP7102ARDZ-2.5-R7 ADP7102ARDZ-3.0-R7 ADP7102ARDZ-3.3-R7 ADP7102ARDZ-5.0-R7 ADP7102ARDZ-9.0-R7 ADP7102ARDZ-R7 |
- 加入我的myAnalog 登录 myAnalog


